Cart
Account
Home
Triumph
Repair
Complete Official Triumph Spitfire MK III MK IV 1500 68-74
The Complete Official Triumph Spitfire MK III, MK IV and 1500:
1968, 1969, 1970, 1971,
1972, 1974, 1974
by
British Leyland Motors
Price:
$120.00
Add to Cart
Main Product Page
Table of Contents
Front Cover
Back Cover
Page 413
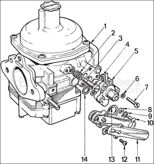
Carburetor as fitted to MK III Spitfire