Cart
Account
Home
Triumph
Repair
Comp Off Triumph TR6 & 250 1967-76
The Complete Official
Triumph TR6 & TR250:
1967, 1968, 1969, 1970, 1971,
1972, 1973, 1974, 1975, 1976
by
British Leyland Motors
Price:
$130.00
Add to Cart
Main Product Page
Table of Contents
Excerpt
Front Cover
Back Cover
Vehicle Images
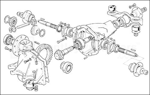
Page 338
Exploded view of rear axle
Browse
<< prev
Triumph
next >>