|
Toyota Prius
Repair and Maintenance Manual: 2004, 2005, 2006, 2007, 2008
Price: $69.95
|
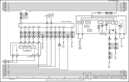
Detailed wiring schematics.
Excerpted illustration from Toyota Prius
Repair and Maintenance Manual: 2004-2008 Chapter 13, Electrical Wiring Diagrams
(BentleyPublishers.com watermark not printed on actual product.)
![[B] Bentley Publishers](http://assets1.bentleypublishers.com/images/bentley-logos/bp-banner-234x60-bookblue.jpg)
