|
Jeep® CJ Rebuilder's Manual:
1972 to 1986
by Moses Ludel
Price: $69.95
|
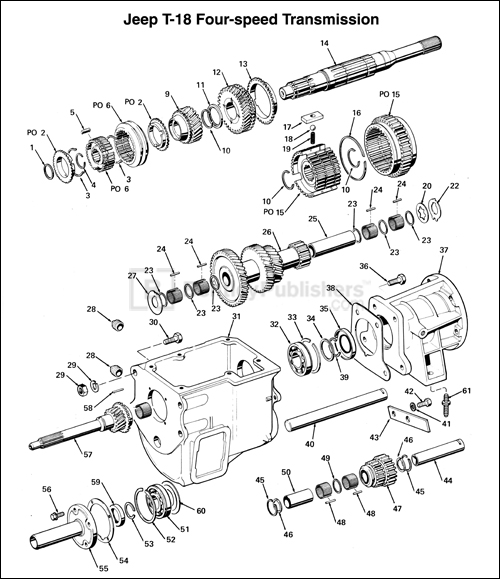
Some CJ owners are fortunate enough to have the factory T-18 transmission or a retrofitted T-18 four-speed transmission in their Jeep. Due to the overwhelming stamina of this transmission in a lightweight CJ, rebuilding the unit is a rare need. Many builders, however, retrofit recycled (used) T-18 units into the CJ chassis, and most recycled or high mileage transmissions need attention.
Chapter 3: Transmission and Clutch - T-18 Four Speed Rebuild
![[B] Bentley Publishers](http://assets1.bentleypublishers.com/images/bentley-logos/bp-banner-234x60-bookblue.jpg)
