Home British Cars Repair Cmp Off 1275cc Sprite Midget 67-74
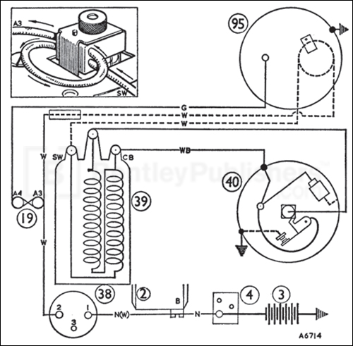
Impulse tachometer circuit, page 228.

Page 228
Impulse tachometer circuit.