|
The V12 Engine
Price: $99.95
|
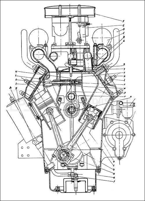
Although admittedly inspired by American V8s, engineers Fritz Fiedler and Werner Strobel at Horch innovated independently in their design of a 6.0-litre V12 for that company, launched in 1931. Horizontal valves were a feature, as were cylinder heads angled well away from the horizontal with respect to each cylinder bore.
From Chapter 7: Teutonic Twelves
![[B] Bentley Publishers](http://assets1.bentleypublishers.com/images/bentley-logos/bp-banner-234x60-bookblue.jpg)

